W celu świadczenia usług na najwyższym poziomie stosujemy pliki cookies. Korzystanie z naszej witryny oznacza, że będą one zamieszczane w Państwa urządzeniu. W każdym momencie można dokonać zmiany ustawień Państwa przeglądarki. Zobacz politykę cookies.
Powrót

Odbiór instalacji fotowoltaicznej

06.02.2023

Pouczenie dot. obowiązku powiadomienia Państwowej Straży Pożarnej o rozpoczęciu eksploatacji instalacji fotowoltaicznej o mocy powyżej 6,5 kW do 50kW.

Komenda Powiatowa Państwowej Straży Pożarnej w Kętrzynie informuje, że na podstawie art. 29 ust. 4 pkt. 3 lit. c), w trybie art. 56 ust. 1a ustawy – Prawo budowlane (t.j. Dz.U. z 2021 r. poz. 2351) istnieje obowiązek powiadomienia Państwowej Straży Pożarnej o rozpoczęciu eksploatacji instalacji fotowoltaicznej o mocy powyżej 6,5 kW do 50kW.

Państwowa Straż Pożarna analizuje przedstawioną dokumentację pod kątem bezpieczeństwa pożarowego i gromadzi istotne ze względu na bezpieczeństwo ekip ratowniczych informacje na temat zainstalowanych instalacji PV.

W razie wystąpienia nowych, istotnych okoliczności możliwe jest przeprowadzenie czynności kontrolno-rozpoznawczych w obiekcie w zakresie oceny zastosowanych rozwiązań technicznych w obiekcie oraz możliwości prowadzenia działań ratowniczych.

W celu ułatwienia zgłoszenia i zebrania istotnych w sprawie informacji poniżej przedstawiamy druk zgłoszenia instalacji fotowoltaicznej do KP PSP w Kętrzynie wraz z wykazem załączników. Taka forma zgłoszenia usprawni przyjęcie wniosku i pozwoli zakwalifikować pod kątem konieczności prowadzenia w nim kontroli.

Ponadto informujemy, że instalacja w obiekcie powinna zostać oznakowana znakiem bezpieczeństwa zgodnie z treścią normy PN-HD 60364-7-712: Wymagania dotyczące specjalnych instalacji lub lokalizacji  - Fotowoltaiczne (PV) układy zasilania oraz informacje o zagrożeniu porażeniem prądem elektrycznym stałym podczas pracy instalacji.

Błąd ładowania zdjęcia

Zgodnie z obowiązującą od dnia 19 września 2020 nowelizacją ustawy Prawo budowlane art. 29 ust. 4 pkt. 3 lit. c) stosuje się obowiązek uzgodnienia instalowanej instalacji przez rzeczoznawcę do spraw zabezpieczeń przeciwpożarowych projektu tych urządzeń oraz zawiadomienia Organów Państwowej Straży Pożarnej.

W kwestii zapisu art. 29 ust. 4 pkt 3 lit. c: Ustawy Prawo budowlane (t.j. Dz.U. z 2021 r. poz. 2351) „(…) projektu tego urządzenia (…) zgodnie z interpretacją Ministerstwa Rozwoju dla ww. przepisów należy uznać, że instalacja,
o której mowa stanowi instalację elektryczną  i jako taka powinna być projektowana przez osobę z uprawnieniami budowlanymi w przedmiotowym zakresie oraz zawierać w swojej formie wszelkie elementy o jakich mowa w odniesieniu do projektu technicznego w rozporządzeniu Ministerstwa Rozwoju z dnia 11 września 2020 r.
w sprawie szczegółowego zakresu i formy projektu budowlanego (Dz. U. 2022 poz. 1679).

Załączniki do zgłoszenia:

1.         Projekt instalacji uzgodniony z rzeczoznawcą ds. zabezpieczeń ppoż.

2.         Plan urządzenia fotowoltaicznego dla ekip ratowniczych.

3.         Kserokopia oświadczenia o zakończeniu prac i wykonaniu instalacji zgodnie
z projektem.

4.         Pełnomocnictwo (w przypadku zastępstwa).

 

Załączniki do zgłoszenia ww. instalacji fotowoltaicznej powinny w zależności od potrzeb zawierać następujące informacje istotne z punktu widzenia ochrony przeciwpożarowej
w zakresie:

1. Danych obiektu, na którym zainstalowano urządzenia:

  • powierzchnia rzutu połaci dachowej, na której zainstalowano urządzenia instalacji fotowoltaicznej;
  • powierzchni rzutu zamontowanych na dachu urządzeń;
  • informacji nt. wykonanego zabezpieczenia ogniochronnego przejść instalacyjnych przez elementy oddzielenia przeciwpożarowego lub przegrody o wymaganej klasie odporności ogniowej co najmniej EI60 (czy elementy instalacji znajdują się
    w pomieszczeniach wydzielonych pożarowo).
  • na rzutach budynków wskazać wraz z legendą lokalizację urządzeń istotnych
    z punktu widzenia bezpieczeństwa prowadzonych działań przez podmioty PSP tj.:
  1. przeciwpożarowego wyłącznika prądu / głównego wyłącznika energii elektrycznej w części AC,
  2. inwertera instalacji fotowoltaicznej,
  3. miejsca przebiegu przewodów układu DC (prądu stałego),
  4. lokalizację dodatkowych systemów bezpieczeństwa (urządzeń sterujących
    i kontrolujących pracę tych układów – np. Safe DC, rozłącznik DC, bocznik pożarowy, wyłączniki nadprądowe),
  • rysunki oraz rzuty sporządzić wraz z legendą pozwalającą jednoznacznie określić naniesione na nich elementy.

2. Szczegółowe informacje w zakresie przygotowania obiektu i terenu do prowadzenia działań ratowniczych, w szczególności:

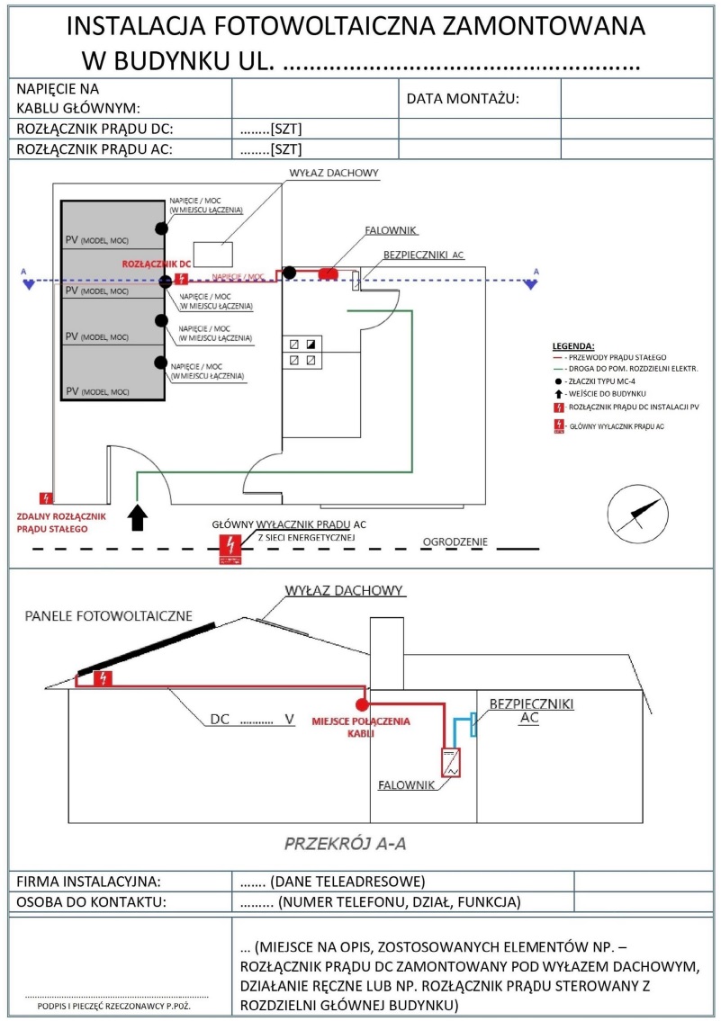
  • plan urządzenia fotowoltaicznego dla ekip ratowniczych ze wskazaniem osób
    i podmiotów opracowujących oraz  datą opracowania,
  • opis wyposażenia w przeciwpożarowy wyłącznik prądu lub inne rozwiązania przeznaczone do wykorzystania przez ekipy ratownicze w celu odłączenia zasilania elektrycznego wraz z przedstawieniem go na schemacie instalacji. Zasadne jest wyjaśnienie czy budynek posiada układ ZSR (samoczynne załączenie rezerwy) np. zasilanie agregatem prądotwórczym,
  • informacje o oznaczeniu obiektu (instalacji) znakiem bezpieczeństwa zgodnie
    z treścią normy PN-HD 60364-7-712: Wymagania dotyczące specjalnych instalacji lub lokalizacji  - Fotowoltaiczne (PV) układy zasilania oraz informacje o zagrożeniu porażeniem prądem elektrycznym stałym podczas pracy instalacji,
  • informację przebieg przewodów pozostających w budynku pod napięciem mimo odłączenia budynku od sieci OSD, informacje o prowadzeniu ich podtynkowo, lub w ogniotrwałych osłonach o klasie minimum E30 i na wysokości minimum 2,5 m.

Materiały

Druk zgłoszenia instalacji fotowoltaicznej do KP PSP w Kętrzynie
Druk​_zgłoszenia​_instalacji​_fotowoltaicznej​_do​_KP​_PSP​_w​_Kętrzynie.docx 0.02MB
Przykładowy plan urządzenia fotowoltaicznego dla ekip ratowniczych
Przykładowy​_plan​_urządzenia​_fotowoltaicznego​_dla​_ekip​_ratowniczych.jpg 0.20MB
Logo Biuletynu Informacji Publicznej
Informacje o publikacji dokumentu
Pierwsza publikacja:
06.02.2023 12:03 kpt. Kamil Golon
Wytwarzający/ Odpowiadający:
asp. Daniel Sowiński
Tytuł Wersja Dane zmiany / publikacji
Odbiór instalacji fotowoltaicznej 1.0 06.02.2023 12:03 kpt. Kamil Golon

Aby uzyskać archiwalną wersję należy skontaktować się z Redakcją BIP

{"register":{"columns":[]}}