W celu świadczenia usług na najwyższym poziomie stosujemy pliki cookies. Korzystanie z naszej witryny oznacza, że będą one zamieszczane w Państwa urządzeniu. W każdym momencie można dokonać zmiany ustawień Państwa przeglądarki. Zobacz politykę cookies.

Dokumenty dla petentów

Materiały

Zawiadomienie o zakończeniu budowy- wzór dla INWESTORA
Zawiadomienie​_o​_zakoczeniu​_budowy​_wzr​_dla​_INWESTORA.pdf 0.19MB
Druk zgłoszenia instalacji fotowoltaicznej
Druk​_zgłoszenia​_instalacji​_fotowoltaicznej​_do​_KP​_PSP​_w​_Kętrzynie.docx 0.02MB
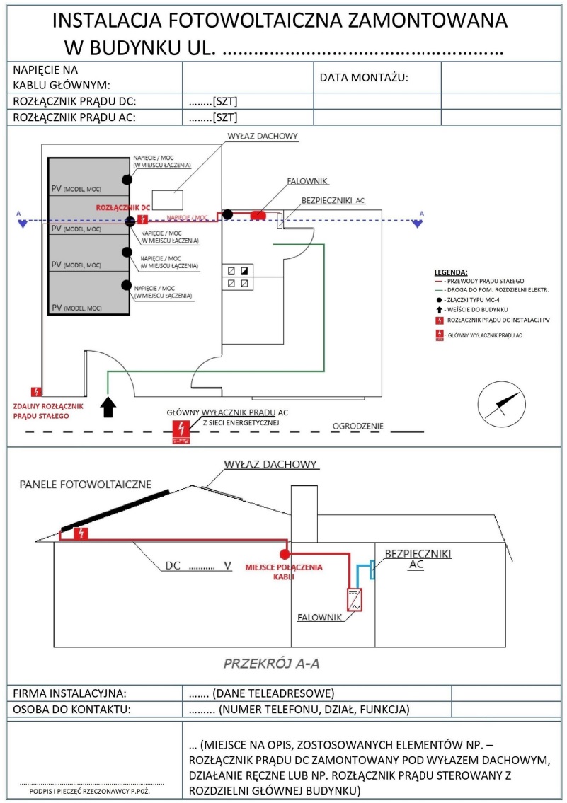
Plan urządzenia fotowoltaicznego
Przykładowy​_plan​_urządzenia​_fotowoltaicznego​_dla​_ekip​_ratowniczych.jpg 0.20MB
Wniosek​_o​_wydanie​_zaświadczenia​_ze​_zdarzenia​_-​_przykładowy​_wzór
Wniosek​_o​_wydanie​_zaświadczenia​_ze​_zdarzenia​_-​_przykładowy​_wzór.docx 0.02MB
{"register":{"columns":[]}}